索能光电网
索能光电网
  • 首页
  • 光电产品
  • 行业动态
  • 灯具问答
  • 售后电话
  • 最新看点
  • 自媒体短视频
首页 包含"TCL无绳电话电路图识读技巧"标签的文章
TCL无绳电话电路图怎么看? 售后电话

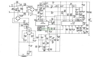
TCL无绳电话电路图怎么看?

tcl无绳电话电路图是理解其工作原理、进行故障维修或功能升级的核心技术文档,通常由多个功能模块的电路组合而成,涵盖电源管理、信号处理、无线通信、控制逻辑等关键部分,以下从电路模块构成、信号流程及典型电...

99ANYc3cd6 2025-09-11 53 #TCL无绳电话电路图解析方法 #TCL无绳电话电路图识读技巧 #TCL无绳电话电路图入门指南

最新文章

  • 月兔空调全国售后电话是多少?

    月兔空调全国售后电话是多少?

    2026-01-20 0
  • 邵阳格力专卖店电话是多少?

    邵阳格力专卖店电话是多少?

    2026-01-20 0
  • 洛阳涧西空调维修电话是多少?

    洛阳涧西空调维修电话是多少?

    2026-01-20 0
  • 白雪冰柜售后电话是多少?

    白雪冰柜售后电话是多少?

    2026-01-20 0
  • 长沙中央空调维修电话是多少?

    长沙中央空调维修电话是多少?

    2026-01-20 0
  • 许昌美凌冰箱售后电话是多少?

    许昌美凌冰箱售后电话是多少?

    2026-01-20 0

热门文章

  • 1.电磁炉特殊故障如何快速检修?
  • 2.三菱空调故障灯闪烁
  • 3.抖音快手自助推广平台哪家靠谱?
  • 4.ks直播人气自助网址24小时超低价-快手赞下单业务免费-dy播放量自助下单平台网站真人
  • 5.抖音点赞自助业务下单平台-24小时秒单业务平台便宜dy-抖音自助赞平台24小时发货
  • 6.美菱烟机沈阳投诉电话
  • 7.KS一秒5000赞-抖音刷赞自助下单软件秒杀-ks直播自助下单服务网址秒到账
  • 8.涨抖音赞网址最低价-最便宜24小时自助下单软件下载-qq赞在线自助下单网站

关于本站

侵权处理与合作(广告位招租):473708564#qq.com,#换成@就是邮箱

京ICP备2025110917号-5

联系我们

关注我们

索能光电网二维码