索能光电网
索能光电网
  • 首页
  • 光电产品
  • 行业动态
  • 灯具问答
  • 售后电话
  • 最新看点
  • 自媒体短视频
首页 包含"维修低音炮关键步骤教程"标签的文章
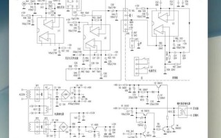
家电维修低音炮教程,关键步骤有哪些? 行业动态

家电维修低音炮教程,关键步骤有哪些?

家电维修低音炮完整教程在开始之前,请务必牢记最重要的安全准则:⚠️ 安全第一!断电!断电!断电! 在进行任何检查或维修之前,务必将低音炮的电源线从插座上拔下,电容放电! 低音炮内部的电源滤波电容在断电...

99ANYc3cd6 2025-12-15 75 #家电维修低音炮教程关键步骤 #低音炮维修教程关键步骤 #维修低音炮关键步骤教程

最新文章

  • 联想官网客服电话是多少?

    联想官网客服电话是多少?

    2026-03-06 0
  • 联想服务电话是多少?

    联想服务电话是多少?

    2026-03-06 0
  • 澳柯玛售后电话是多少?

    澳柯玛售后电话是多少?

    2026-03-06 0
  • 荣事达客服电话是多少?

    荣事达客服电话是多少?

    2026-03-06 0
  • 三星售后电话是多少?

    三星售后电话是多少?

    2026-03-06 0
  • 康佳售后服务电话是多少?

    康佳售后服务电话是多少?

    2026-03-06 0

热门文章

    关于本站

    侵权处理与合作(广告位招租):473708564#qq.com,#换成@就是邮箱

    京ICP备2025110917号-5

    联系我们

    关注我们

    索能光电网二维码